Waveguide Isolators / Circulators

Waveguide Isolators / Circulators

MTC manufactures a selection of W/G Isolators/Circulators are designed for wide range of high performance application at a low cost. These devices operate at frequencies from 7 to 18 GHz ( WR62 to WR112 ).
For more information feel free to contact us and discuss your needs with one of our design engineers.

WAVEGUIDE CIRCULATORS


WAVEGUIDE ISOLATORS


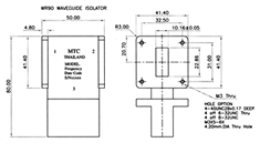
SAMPLE MODEL OF WAVEGUIDE

Standard
- Flange Type : Cover -> Standard : Cover Flange
- Material : Aluminium
- Finish : Yellow Chromate